Основные характеристики:
- Тип - механический
- Управление - пар, воздух
- Материал корпуса - ковкий чугун FCD450
- Максимальная температура - 180*С
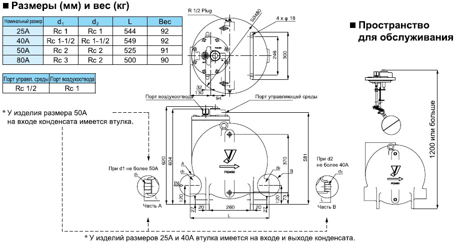
- Условный диаметр - 25-80 мм
- Тип присоединения - резьбовое
- Макс. давление управ. среды - 8 бар(и)
| Тип продукта |
Механический конденсатный насос
|
| Применение |
Конденсат пара
|
| Тип присоединения |
Резьбовое
|
| Материал корпуса |
Ковкий чугун FCD450
|
| Особенность |
Не требует электропитания, высокие пропускные способности
|
| Макс. управляющее давление |
8 бар (и)
|
Особенности:
✓ Не требует электропитания, использует для работы давление пара и воздуха.
✓ Не требует вмешательства после монтажа, работает автоматически.
✓ Простота обслуживания и проверки благодаря тому, что основные детали закреплены на крышке.


Оплата
Оплата заказа возможна только юридическими лицами по безналичному расчету.
Платеж производится на основании выставленного Счета/Договора с указанием его порядкового № и предмета поставки в платежном поручении. Денежные средства поступят на расчетный счет в течение 1-3 рабочих дней от даты оплаты.
Заказ формируется к отгрузке после зачисления 100% предоплаты на расчетный счет ООО «Вайз Инжиниринг"
Важно: Отгрузка товара производится после 100% оплаты и зачисления средств на расчетный счет ООО «Вайз Инжиниринг»*.